Electronics Weekly (blog) |
'Safe' all-npn reversing motor drive for Arduino
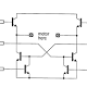
Electronics Weekly (blog) A note here, adding 100Ω resistors in series with the arduino pins could help limit pin current if someone shorts the motor connections to either rail. safe npn motor bridge b If only npn transistors are available, the top two have to work as emitter ... |
No hay comentarios:
Publicar un comentario